口徑規格 : | DN15~600,NPS1 1/2''~24'' |
壓力范圍 : | PN1.6~48Mpa,Class150~2500lb |
機體材料 : | Q325A |
閥門類型 : | 閘閥、球閥、截止閥、止回閥 |
驅動操作 : | 液壓驅動、PLC電腦控制、按鈕控制 |
連接方式 : | 法蘭式 |
榮獲證書 : | 新產品、國家專利等 |
一、概述
JWZQ型閥門液壓試壓機是我公司在積累多年生產閥門檢測設備技術的基礎上按照國家GB/T1 3927 — 92《通用閥門壓力試驗》和ZBJl6006-90《閥門的試驗與檢測》的標準規范要求,是公司自主研發的新一代沉水式液壓閥門試壓機并擁有發明技術專利知識產權,專利號ZL2016 1 0260566.7本機最大特點是將被測試工件浸入水中,在測試過程中可方便目測測試工作是否有泄漏,
本機集機電、液壓、試壓、液體介質貯存循環使用于一體,具有功能完善、性能穩定、自動化程度高等特點。廣泛用于公稱通徑DNl 5-600mm的直通式法蘭及螺紋連接各類高、中、低壓閥門的強度、密封和泄漏量等各項性能測試。測試介質:水、氣、油。最高密封試驗壓力 32.0MPa,強度48 0MPa,本設備廣泛用于閥門制造業和石油、石化、核電、化工等使用、閥門維修部門等單位的一種先進理想的閥門試壓檢驗設備。
二、工作原理及結構
JWZQ型測試臺采用以閥門法蘭端面定位,活動反爪夾緊法蘭背面的裝夾方法進行工作。對被測閥門無附加影響測試結果的外力,符合國家標準規定的閥門測試要求。
本機結構大致可分為液壓系統、電器控制系統、左右工作臺活動夾爪和液動供壓裝置及介質循環系統等部件組成。右邊工作臺設有夾緊機構和 90度翻轉機構,夾緊機構由夾爪的夾緊裝置和徑向移動裝置組成,夾爪的夾緊裝置是采用各油缸直接驅動來實現,使各爪受力均勻,夾緊可靠。夾爪的徑向移動裝置是采用杠桿式結構,實現了各爪徑向同步移動。左邊工作臺可自動進退。并具有性能好,結構簡單緊湊等特點。液壓電器控制系統 (詳見液壓和電器原理圖)安裝在底層固定架內,是測試臺的控制部分,在與電器聯合控制下使各機構能協調動作,滿足測試程序要求。
三、使用注意事項和要求
一、設備安裝:設備使用場地挖好水箱地坑,長、寬、高根據我公司提供圖紙以免不對稱,校好設備安置水平或用混凝土固定底腳螺栓。
二、選用N32—46#普通液壓油,N32—46#抗磨液壓油或20—30#機械油,注入油箱,油量不能低于油位計下限。
三、接通電源,按油泵啟動按鈕,檢查電機轉動方向,是否正確(順時針方向)進行5—1 O分鐘空載運轉后,調節油泵壓力在5 0MPa進行試機,各種動作,檢查各管路有無泄漏,發現不良現象,應立即停機排除。
四、試驗的介質:水具有方便,不污染環境等優點,因而應用廣泛,要確保對被試閥門不會腐蝕及在測試機介質要求所需要。在水箱中,添加防銹劑或者常用油作試驗介質。
五、測試閥門時,首先根據被試閥門試驗壓力,要求參照《壓緊油缸所需壓力對照表》中液壓壓緊系統壓力值,進行增壓壓力調節,嚴禁增壓壓力值超高、防止被試閥門變形損壞。
六、液壓供壓水泵開始工作前,先調節好電接點壓力表與被試驗閥門壓力相同,然后進行工作。
鑄鐵閥門不得用錘擊,閥門在試驗中,操作人員應注意安全,正確使用,特別注意測試鑄鐵閥門時介質壓力過高破損,閥門試驗完畢,應將閥門內壓力排盡后才可放松軸向壓機。
七、壓力試驗裝置的壓力表必須經當地計量部門鑒定合格其合格證應在有效期內,壓力表的量程不能低于測試壓力15倍,精度不低于 1.5級。
八、注意事項
1測試臺工作面應保持干凈、清潔、被試閥門的法蘭與密封盤,不允許有其定雜物,時刻檢查O形國損壞。
2.測試臺各部件的活動處,要經常加油,保持清潔潤滑使用。
3,液壓油要定期檢查、更換對新投入使用的設備,使3個月既清洗油箱,更換新油,以后每隔一年進行清洗和更換一次,油量不能低于油位計的下限,油箱內的油液溫度不能超過 55~C。
四、 JWZQ型外觀示意圖
JWZQ型 (潛水式)液壓閥門測試臺(外觀示意圖)

1. 數碼時鐘 2. 壓力表 3. 壓力表開關




五、 使用操作方法
一、被試閥門的裝夾
按該測試臺型號選擇通徑大不的被試閥門,調整測試臺的左向工作裝夾位置,將被試的閥門放在測試臺左向夾緊工作臺的密封盤中心,點動 <左徑向進>按鈕,將壓爪進到被試閥門的法蘭背后面的正確位置,按<左軸向緊>按鈕<參照夾緊油缸所需壓力對照表 >中的液壓壓緊系統<增壓>;PN值,按<左向增壓>按鈕,調節<增壓調節閥>,將<左增壓表>;的壓力和夫緊油缸所需壓力對照表中的閥門通徑、壓力、 PN值相同,一切正確后,關閉<;氣總開關、氣表開關泄壓開關>。開<水總開關、左向進水>既可作被試閥門密封測試。
二、水壓、水泵的使用方法
調整水源電接點壓力表,水泵開關<低壓水泵>開,先把被試閥門內部水注滿,低水壓力表為O 5MPa內水已滿,關掉水泵開關<低壓水泵>關。再按<高壓水泵開>調節供水泵壓力調節閥,<供水泵,液壓系統減壓閥J一25B>把液體試壓壓力達到和被試閥門密封壓力及電接點壓力表值相同時,高壓水泵就自動停機,關閉 <;總水開關>。保壓數分鐘后,水壓表無下降,測試密封完畢,開<泄壓開關 >,將被試閥門內的壓力泄壓,<水壓表>為零,可以放松被試閥門或同時繼續進行強度測試。
三、被試閥門強度測試裝夾
閥門密封測試完畢后,繼續進行作強度測試,左向夾緊不變,調整右向測試臺裝夾裝置,按<;移動架進>;按鈕,將移動架一端主盤密封盤,進到被試閥門法蘭的另一端相碰,參照左向程序,把右端壓緊,并對照 <夾緊油缸所需壓力對照表>;中的液壓夾緊系統壓力 <增壓>;PS值相同,開<右向進水>打開被試閥門密封后,參照<=>水壓、水泵使用方法,進行閥門強度測試。
四、被試閥門氣密封測試方法,<氣源用戶自備連接>作氣密封測試時,只能在左端進行密封測試將左邊工作主盤向上旋轉90度平面,接<;向上旋轉>按鈕,接<1>步驟程度,將被式閥門裝夾完畢,關閉水總開關、泄壓開關、右向進水。開c氣總開關、氣表開關,向被試閥立刻另一端內,注入清水,觀察被試閥門內的密封性能及氣泡。測試完畢關閉 <氣總開關>開<泄壓開關>,氣壓表壓力為零后,再將被試閥門卸下。
六、JWZ型液壓系統原理圖
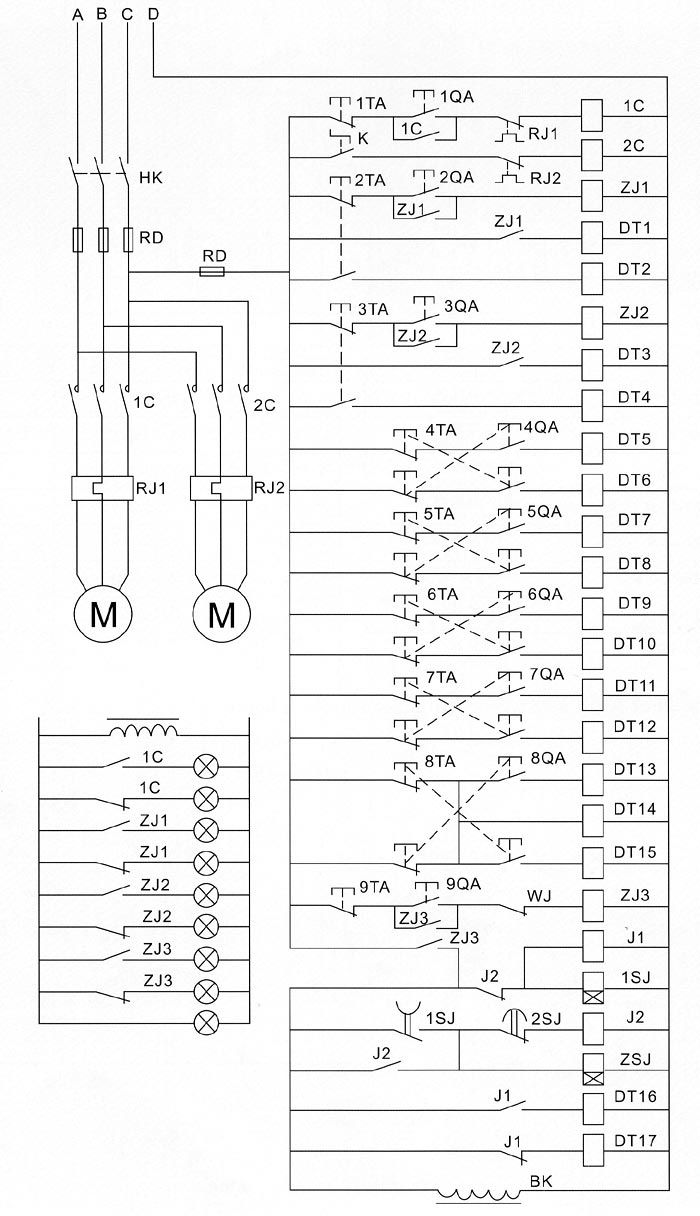
七 電器原理圖
電器原理序號

八、JWZ型測試口徑壓力范圍圖表
JWZQ-100型(潛水式) 閥門公稱通徑與公稱壓力試驗范圍


3.3 JWZQ-300型 (潛水式)閥門公稱通徑與公稱壓力試驗范圍
The test range of valve nominal diameter and nominal pressure for JWZ-300 model











